Hi Leute,
ich habe einen PK160-TC und will ihn per AC Infinity-Controller smart steuern. Hat das hier schon jemand realisiert und kann Tips geben? Ich bin technisch fit, kann aber keine Platinen-/Schaltpläne lesen — daher: Projekt für Dummies. Danke!![]()
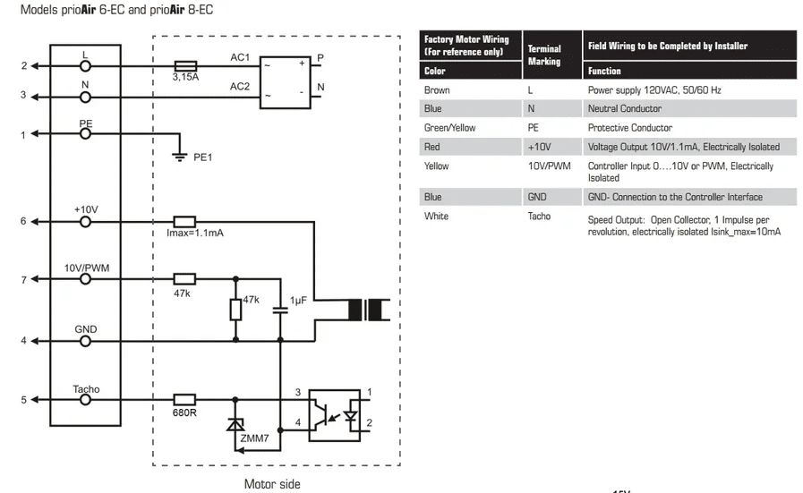
Achja ich habe bereits einen Beitrag in einem anderem Forum gefunden, jedoch war mir das nur via Beschreibung zu unverständlich
der Schaltplan, welchen ich gefunden habe wäre wie folgt
Witzig, stehe vor dem selben Problem. Hoffe mal hier kommt noch jemand mit Ahnung vorbei ![]()
1 „Gefällt mir“
Perfekt, das hoffe ich doch auch sehr.
Ach das würde mich auch interessieren
1 „Gefällt mir“
Moin..
Hab mal ganz kurz drüber geschaut.
Der Schaltplan ist für einen EC Motor.
Der PK160TC wäre aber wenn ich es richtig sehe ein AC Gerät. Das geht schon… ist aber deutlich aufwändiger.
Und vom Aufwand her würde ich da selber auf ein EC gesteuerten Lüfter wechseln.
Aber vielleicht meldet sich ja noch jemand der das Mal gemacht hat.
LG cRiZz
